产品型号:RS-FPC-WS-N01-*
产品概述
我公司设计的防爆温湿度变送器,用于空气中温湿度的检测,当浓度超过预置报警值时 会发出声光报警信号,以提醒用户及时采取安全措施。该变送器采用瑞士进口原装高品质温 湿度传感器,传感器具有测量精度高,抗干扰能力强等特点,保证了产品的优异测量性能。 带有大屏液晶显示,防护等级 IP66,防爆标志:Ex d IIC T6 Gb(出线端需客户自配防爆挠性连接管使用),可应用于户外恶劣的现场环境。
设备采用宽压 10-30V 直流供电,485 信号输出,标准 ModBus-RTU 通信协议、ModBus 地址可设置,波特率可更改,通信距离最远 2000 米。
功能特点
采用瑞士原装进口测温单元,测量精度高、抗干扰能力强。
采用远程红外遥控技术,无需拆卸即可修改参数。
485 通信接口标准 ModBus-RTU 通信协议,地址、波特率可设置,通信距离最远 2000 米。
可选配高品质液晶显示屏,现场可直接查看数值,夜晚亦可清晰显示。
现场供电采用 10~30V 直流宽压供电,可适应现场多种直流电源。
产品采用壁挂式防爆壳,安装方便,防护等级 IP66(出线端需客户自配防爆挠性连接管使用)可应用于户外恶劣的现场环境。
主要技术参数
| 直流供电(默认) | DC 10-30V | |
| 平均功耗 | 0.35W(4~20mA型满量程且报警灯工作时) | |
| 工作环境 | 带显示:-20℃~+60℃,0%RH~95%RH(非结露) 不带显示:-40℃~+80℃,0%RH~95%RH(非结露) | |
| 温湿度测量量程 | 带显示:-20℃~+60℃,0%RH~100%RH 不带显示:-40℃~+80℃,0%RH~100%RH | |
| 温度显示分辨率 | 0.1℃ | |
| 湿度显示分辨率 | 0.1%RH | |
| 测量精度 | 湿度 | ±3%RH(60%RH,25℃) |
| 温度 | ±0.5℃(25℃) | |
| 输出信号 | RS485(ModBus协议) | |
| 长期稳定性 | 湿度 | ≤1%RH/y |
| 温度 | ≤0.1℃/y | |
| 安装方式 | 壁挂式 | |
| 防爆标志 | Ex d IIC T6 Gb | |
| 继电器带负载能力 | 250VAC 1A/30VDC 1A | |
产品选型
| RS- | 公司代号 | ||||
| FPC- | 带显示防爆壳体 | ||||
| FPC-N- | 不带显示防爆壳体 | ||||
| WS- | 温湿度变送器 | ||||
| N01- | RS485(ModBus协议) | ||||
| 空 | 无声光报警器 | ||||
| A | 加声光报警器 | ||||
| R01 | 无源继电器输出 | ||||
系统框架图
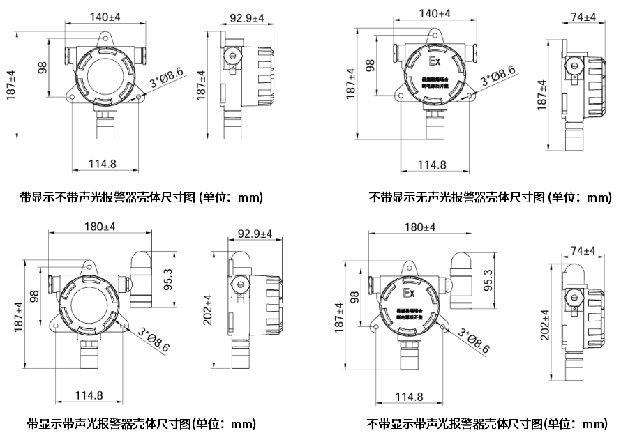
尺寸说明

安装说明
膨胀螺丝安装时,先在墙体或其它固定平面打孔,将膨胀塞放入孔内,拧入螺丝帽使膨胀塞膨胀,然后卸下螺丝帽安装设备,最后拧入螺丝帽将设备固定。
出线端需客户自配防爆挠性连接管使用,出线口螺纹尺寸为 M20*1.5。

接口说明
线色 | 说明 | |
电源(设备左侧出线) | 棕色 | 电源正(10~30V DC) |
黑色 | 电源负 | |
通信(设备左侧出线) | 黄色 | 485-A |
蓝色 | 485-B | |
无源继电器类型 (设备右侧出线) | 黄色 | 继电器常开触点 (黄色、蓝色) |
蓝色 |