产品型号:RS-FPCH-PV-*-DY
产品概述
我公司设计的无线压力变送器,采用高性能的感压芯片,配合先进的电路处理和温度补 偿技术,将压力变化转化为4G、LoRa信号,并上传至我司免费的云平台或本地平台。产品体积小巧, 易于安装,采用不锈钢外壳隔离防腐,适于测量与接触部分材质相兼容的气体和液体等介质, 可以用来测量表压和绝压。
设备采用外接电源供电,设备可以长时间运行。设备自带存储,设备在离线情况下自动 存储数据,防止数据丢失。设备带显示可显示当前压力数据以及当前量程的压力水平。使用 USB 连接手机 APP 配置参数,方便快捷,满足传统压力表智能化升级的需求。
应用场合:如供水、排水、消防水系统、输油管道、输气管道等相关场景。
功能特点
自带显示屏,现场可直接查看数值。
10~30V DC 外接电源供电。
设备带数据存储,离线自动存储数据。
采用温度补偿工艺测量精度更高更稳定。
温度自动补偿,温飘自动修正。
抗振动、抗冲击,防射频电磁干扰。
过载及抗干扰能力強,经济实用稳定。
压铸合金铝外壳,表面环氧喷涂,密封设计,IP67 防护等级。
-LORAH 选型支持增加 LORA 中继转发器延长传输距离。
主要技术参数
| 测量范围 | -0.1~+100MPa(可选) |
| 压力类型 | 表压、绝压 |
| 输出信号 | 4G、LoRa、NB |
| 过载能力 | <1.5倍量程 |
| 供电方式 | 10-30V DC |
| 产品功率 | 最大功率0.85W |
| 测量精度 | ±0.2%FS,±0.5%FS(默认) |
| 零点漂移 | ±0.25%FS/70℃ |
| 满量程温度影响 | ±0.25%FS/70℃ |
| 长期稳定性 | ≤0.2%FS/年 |
| 防护等级 | IP67 |
| 介质温度 | -40~75℃ -40~150℃(高温型) |
| 变送器元件耐温及湿度 | -30℃-+70℃,0%RH~95%RH (非结露) |
| 测量介质 | 对不锈钢无腐蚀的气体、液体 |
| 采集间隔 | 1s/2s/5s(默认)/10s/15s/30s/60s/120s /240s/360s/720s/1440s(4G/NB) 默认5min,最低可设2s(LoRa) |
| 上传间隔 | 2s/5s/10s/15s/30s(默认)/60s/120s /240s/360s/720s/1440s(4G/NB) 默认5min,最低可设1min(LoRa) |
| 进压头材质 | 304不锈钢 |
| 膜片材质 | 316L不锈钢 |
| 壳体材质 | 压铸铝环氧树脂涂层 |
| 安装接口 | M20*1.5 |
产品选型
| RS- | 公司代号 | |||||
| FPCH- | 带显示防爆壳体 | |||||
| PV- | 压力变送器 | |||||
| PVT- | 压力温度一体变送器 | |||||
| 4G- | 4G 方式上传 | |||||
| NB- | NB-IoT 通讯 | |||||
| LORAH- | LoRa方式上传,支持中继转发 | |||||
| DY- | 电源供电 | |||||
| DS- | 电源+电池双供电 | |||||
| 01 | 0-10kPa | |||||
| 02 | 0-100kPa | |||||
| 03 | 0-0.6MPa | |||||
| 04 | 0-1MPa | |||||
| 05 | 0-2.5MPa | |||||
| 06 | 0-10MPa | |||||
| 07 | 0-40MPa | |||||
| 08 | 0-60MPa | |||||
| 09 | -100~0kPa | |||||
| 10 | -0.1MPa~1MPa | |||||
| 11 | 0-1.6MPa | |||||
| 12 | -0.1MPa~0.1MPa | |||||
| 99 | 定制量程 | |||||
系统框架图
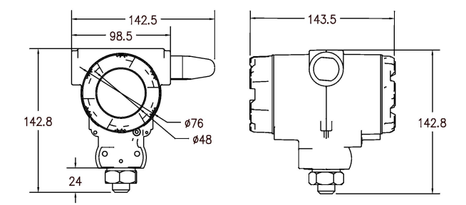
尺寸说明

单位:mm
安装说明
将无线压力变送器的传感器对准 M20*1.5的螺纹,使用开口扳手上紧即可。(如下图)

接口说明
